коттеджный поселок Успенский
Коммунальные платежи: от 3000 р/мес
Дома от 140 до 223 м2. Участки от 10 до 20 соток.
Лес: Лес по границе участка
Водоём: Водоем рядом с участком
Населённые пункты: Гагино — 13.85 км, Бужаниново — 15.80 км, Воронино — 17.69 км
Ближайшая ж/д станция: Струнино, 2.32 км
Шоссе: Ярославское, 90 км
Домов/участков: 75
Назначение земли: Дачное строительство
В 90 километрах от Москвы по Ярославскому шоссе, на границе с Владимирской областью, строится коттеджный поселок «Успенский».
Дорога из Москвы занимает около полутора часов, в ближайшей транспортной доступности (5-10 минут на автомобиле) расположены города Струнино и Александров — жителям в полной мере доступна их развитая и многообразная инфраструктура.
Поселок небольшой, он рассчитан всего на 75 домовладений, возводимых на участках размером от 10 до 20 соток.
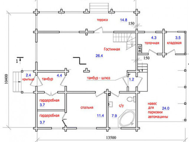
Специально для нового поселка разработаны три базовых проекта домов из профилированного бруса. Площади их составляют 169, 185 и 223 кв. метра. Также возможно строительство по индивидуальному проекту, но его придется согласовывать — в поселке выдерживается единый стиль.
Коттеджи «Успенский» подключается к электросети и водоснабжению. Канализация предусмотрена индивидуальная, септик. В поселке проложены внутренние дороги, готово ограждение с КПП, работает охрана.
Что же касается возможности отдыха на природе, то рядом начинается бескрайний массив природного заказника — жителям интересно будет посетить незамерзающий источник с живописным водопадом. А чуть далее, на берегу Торбеева озера их ждут пляжи и места для рыбалки, лодочная станция, кафе и бильярдный клуб, всевозможные спортивные площадки и водные развлечения.
- Инфраструктура: волейбольная площадка, гостевая парковка, детская игровая площадка, зона отдыха, магазин, пляж, поле для минифутбола, теннисный корт
- Тип дома: Бревно, Брус, Клееный брус
- Охрана: КПП
- Коммуникации: Интернет
- Канализация: Септик
- Водоснабжение: Скважина
- Газ: Магистральный
- Электричество: Центральное



Поселок понравился, он небольшой, компактный. Хорошие деревянные дома, есть, где погулять, искупаться и позагорать.
Но...электричество 5 квт, газ до сих пор не подведен, хотя рекламируют поселок с газом.



















